
Repair & Maintenance Log
07/20/19: Acquired game. The game was clean and it more or less worked. But there were diverter problems and a few other issues. I began taking the game apart before I even started playing it. I did a bunch of other things while contemplating my diverter strategy. Read on...
The game came with a PinScore LED display so I pulled the high voltage fuse F1. I installed one of my standard-keyed (751) locks on the coin door. The game came with custom cards which I replaced with reprinted original instruction and price cards.
There's an error on the instruction card which was left over from the prototype games. The SKATE targets were drop targets on the prototypes. "All Drop Targets down during SUDDEN DEATH scores 2,000,000" should read something more like "Hitting all SKATE and WAR targets during SUDDEN DEATH scores 2,000,000". For all the custom instruction cards floating around, I've never seen anyone correct this.

New instruction and price cards.
The previous owner had put all cool white LEDs in the game (except flashers). I restored the insert panel GI to #47 incandescent bulbs. The translite looked great when not blown out by harsh LED light.

Restored insert panel lamps.
07/24/19: I like to coin my games, but the coin mechs were missing. I added a new pair of Suzo-Happ mechs. Boxes of old used coin mechs can be found at pinball shows for cheap. But reliability seems hit or miss. New mechs just work without fuss.

A pair of new coin mechs.
07/28/19: The playfield pivot bolts weren't together right and there was a missing bushing. I added a new bushing and reassembled. The game came with a hardwired remote battery pack which was screwed inside the head. I added a two-pin connector near the CPU board, extended the leads and placed the battery pack inside the coin door. Opening the coin door is easier than opening the head. The idea is that I'll be better motivated to replace the batteries more often. The plumb bob and rod were missing so I added those items too.

Washer, bushing, nut.

Two-pin battery connector at the CPU board.

Relocated battery pack. New rod and plumb bob.
Every reference shows red flipper buttons. This game had white. Maybe some previous person was trying to match the nuked cabinet decals. But the white buttons were also the wrong length. I believe they may have been video game buttons. Instead of readjusting all the flipper switches I simply replaced the long white buttons with equally long red buttons.

What was in the game, what I should have used and what I used instead. Smokey approves.

A red flipper button.
The wireform on the ball lock 2 switch (switch 54) was broke, but still able to detect a ball (barely). The ball lock 1 and ball lock 2 switches (switches 53 & 54) were part of a two-switch assembly with a common circuit board. The assembly appeared to be unavailable. The individual component micro switches were Williams part numbers 5647-12073-37 (lock 2) and 5647-12073-38 (lock 1). I couldn't find those, but after looking at a lot of pictures I tried Williams part number 5647-12693-32. I didn't bother replacing the whole micro switch. I just popped the wireform off the new micro switch and put it on my old micro switch. No soldering required.
The wires to the circuit board seemed unreasonably tight. Maybe it's not together right. In any event, I filed a notch in the playfield plastic below the lock to free up the wires a bit more.

New micro switch next to the old broken wireform.

New wireform installed. Note the wiring notch in the playfield plastic.
The lower mounting holes in the lock cover were blown out. I cut a rectangular piece of polycarbonate to serve as a "fender washer" and clamp down the cover.

Lock cover mounting.
RollerGames had a longer than normal playfield that extended well into the back of the cabinet. Working on the ramp and diverter area was nearly impossible without lifting the playfield off the pivot bolts and pulling it forward on the pivot bolt nuts. I made a pair of U-shaped support blocks to support the front of the playfield while the playfield was forward.

Playfield support blocks.

Playfield support blocks.
The playfield was so long that there wasn't much clearance for the wiring harnesses at the back of the cabinet. Great care was needed to not snag wirers when lifting and lowering the playfield. Some of the wirers had already been snagged. I cut away some of the old cable ties, straightened the wires and added new ties.

Not much wire clearance behind the playfield.
08/19: Ramp repair. This was probably the worst ramp I've come across. The floor and both sides of the ramp entrance were blown out. The flap was attached to the ramp with some sort of stiff adhesive-backed plastic. The rivets were gone and all the ramp material beneath the flap was gone. The ramp sort of worked, but its flimsiness was absorbing too much ball energy. Aside from the entrance, the rest of the ramp was solid.

My starting point.
I made my repairs with sheets 0.060" PETG and SCIGRIP Weld-On 3. Both were had through Amazon. The PETG was by SIBE Automation and came in packages of 5" x 5" sheets. This was a popular size that had something to do with dentistry. Larger sizes were available, but the 5" x 5" pieces were handy to work with. This was my first effort with these materials, which is why I've provided so many details.
First I cut up some PETG and experimented with the Weld-On 3. Go to YouTube for some Weld-On instructional videos and note that the work has to sit for 24 to 48 hours to strengthen. Lap joints were fairly indestructible. Butt joints weren't so good. Corner joints were iffy. I tried Weld-On 16 thinking it would make more of a fillet at the corner joint. No such luck. My Weld-On 16 experiments were weak. All my ramp work was done with Weld-On 3.

A few of my PETG experiments.
Thinking I might need some corner reinforcement, I made some PETG angle stock. Using a heat gun, I gently warmed a piece of PETG and tightly formed it over the corner of a piece of aluminum angle stock. Once formed, it could be cut to any desired length and width. I also laminated three sheets of PETG and cut some strips of PETG "bar stock".

PETG angle stock and bar stock.
I used a band saw for most of my cuts. This might seem like overkill, but the saw was so powerful relative to the work that the work was super easy to control. I used a thin piece of plywood as a poor man's "zero clearance insert". A lot of tedious filing and sanding was needed to get some parts to their final shape. Emory board nail files worked well. The edges of each piece of PETG should be as smooth and square as possible. The more contact area, the better the joint. Weld-On 3 is a solvent (smells like Bondo) and has zero gap-filling ability.

Band saw with plywood "insert".
One more preliminary experiment... I swept up some PETG "sawdust" and used Weld-On 3 to mix a batch of PETG paste. I used the paste as a fillet material for a corner joint test. My sawdust was contaminated with dirt and I wasn't careful with my application. Nevertheless, the joint was strong yet somewhat pliable. In the end I didn't use the paste or my bar stock for the ramp repair.

PETG fillet paste.
Okay, on to the ramp. First I discarded the plastic thing that was holding on the flap. I needed room to work so I used a razor blade to partition two of the ramp decals. Then I carefully removed the decal pieces with a heat gun. I used naphtha (lighter fluid) to clean the ramp and remove any decal adhesive. I used a razor saw to cut about a 3/8" strip of old material off the ramp floor. This gave me a straight edge to work with and ensured that my flap rivets wouldn't fall on the joint between the original ramp and a new piece of PETG.

Removed decal pieces.

Removed strip of original ramp floor.
Since lap joints worked best, I took a layered approach to this. My first piece of PETG was a sort of "sub-floor" to provide a lap for the main floor to be added later. This piece was also to support some hairline cracks in the old portion of the ramp. The piece was oversized, but trimmed later. The piece was positioned with lots of clothespins to conform the new piece to the shape of the old ramp. The Weld-On 3 came with an applicator. I touched the applicator to the edge of my piece of PETG and capillary action sucked the solvent into the lap joint. Then the hard part was to walk away for two days and let the joint strengthen.

Clamping the "sub-floor".
Next I removed the clothespins, flipped over the ramp and applied more Weld-On to the opposite seam as well as to the aforementioned hairline cracks. There's a skill to using the Weld-On applicator which was explained in some of the Weld-On YouTube videos. Too much Weld-On may cloud the work, but I was more interested in strength than appearance. I also learned that too much clamping inhibits the capillary action. It's better to leave a bit of wiggle room and then firmly clamp after the Weld-On 3 has fully penetrated the work. Joints tack up pretty fast. Clamping was unnecessary unless a part had to be held to shape.
Shown below was a test fit of the sub-floor. I've marked for the flap so I could trim clearances for the rivet washers. The Sharpie marks could be removed with lighter fluid which was what I used to clean the parts before applying the Weld-On 3. A motor tool with cutting disks and drum sanders was good for rough trimming.

Test fitting the sub-floor.

Sub-floor trimmed to clear the rivet washers.
Next I applied the new floor piece (and walked away for another two days). The new floor was a few thou thicker than the original floor, but not enough to create a hang-up or impact ball trajectory.

New ramp floor.
As can be seen in the picture above, there was a "pothole" on the right side of the ramp just above the new floor. The sub-floor covered the hole and I could have left it as it was. But I decided to fill in the hole. I made a pencil tracing of the hole. Using some spray adhesive, I applied the paper to a piece of PETG before cutting out the patch.

Pencil tracing of the pothole.

Rough cut of the patch. The PETG piece still had its protective film in place.
The picture below shows one of about a dozen test fittings for the new floor. I've already trimmed around the red post, finalized the shape of the leading edge and drilled for the playfield mounting screws. Next I marked and drilled for the rivet holes.

Test fitting the new floor.
I used a motor tool with a drum sander to grind away all the jagged edges from the broken right sidewall. Then I riveted the flap back in place. I installed the flap at this stage of the repair because I wanted to see the final curve of the floor before I began fitting the new sidewall pieces. The sidewall pieces were shaped and applied with the ramp in the game.

Flap riveted to the new ramp floor.
I used a piece of cardboard to trace the opening in the right sidewall. I used the cardboard as a template to cut a PETG piece to fill the opening. This was the inner layer of PETG to be installed later. I used the inner layer as a guide to cut a larger outer layer of PETG to be applied outside the opening.

The sidewall opening traced onto a cardboard template.

Right sidewall inner layer.

Right sidewall outer layer.
The picture below shows the outer sidewall piece applied. The picture also shows why I left extra floor material. I had enough outside clearance to install some outside corner bracing using a sliver of my PETG angle stock. I trimmed all these layers to an even line after the joints solidified. This area was too tight to use the Weld-On applicator. Instead I used a small modeling brush which was (I assume) made from some sort of Nylon. There was no reaction at all between the Weld-On and Nylon

Right outside corner bracing.

Right sidewall inner layer applied.
Next up was the left sidewall. There was less clearance on this side of the ramp due to the Pit mechanism. I used more of my PETG angle stock with the angle stock lapped under the ramp floor. I beveled the bottom of the first piece to get it as close as possible to the ramp entrance. I added a scrap of parchment paper under the PETG piece to protect the playfield from the Weld-On 3. I used a stick to brace the curve of the wall while the joint set. Since this ramp corner was a compound curve, I used multiple short lengths of angle stock. I also hit that left sidewall rivet with a drop of Weld-On which was drawn into the cracks.

Left sidewall repair.

I applied a total of four angle stock segments to the corner.
The left sidewall was mostly intact. I only needed a small inner sliver of PETG to fill a narrow gap between the original sidewall and the new floor.
I believe these repairs will prove durable although I'd have to qualify them as "pretty ugly". On the other hand, I've seen worse looking epoxy jobs. A friend suggested I reapply the decal over instead of under the ramp. Okay. First I scanned the decal as a backup. Next I covered the top surface of the decal with a protective layer of Mylar. Then I applied the decal with 3M 467MP transfer tape.
The right sidewall repairs were largely concealed behind a RollerGames Cliffy Protector. The left sidewall repairs were mostly hidden by the Pit mechanism. In fact, the whole ramp entrance was conveniently tucked away behind the Pit and associated habitrail.

Done.

Player's view.
09/01/19: Magnet adjustment. The magnet rod in the "Deep Freeze" magnet assembly was slightly depressed. The rod should protrude above the surface of the playfield by about 1⁄32" and may be adjusted from beneath the playfield with a screwdriver. The picture below shows the underside of the magnet rod with the jam nut backed off. This nut was dangerously tight so I reassembled without the lock washer. With the magnet rod adjusted and the ramp repaired, the Deep Freeze feature was consistently accurate.

"Deep Freeze" magnet adjustment.

The magnet rod should protrude above the playfield.
09/19: Diverter repair. The diverter wasn't reliably directing the balls where they were supposed to go. This appeared to be because the two gate diverter arms weren't reaching far enough into the ball's path. The first two things I noticed were a broken coil sleeve and an elongated link spring (or Gate Mechanism Spring as the manual called it).
The coil sleeve was broke because the coil stop was broke. The coil stop was Williams part number B-13488. I believe this part may have been unique to RollerGames and appeared to be unobtainium. But then I found the part at a place called "The Pinwitch" in Germany. I didn't know anything about German or Euros. But PayPal made for a seamless transaction and the part arrived in about a week. The part disappeared from The Pinwitch website. Perhaps I got the last one on Earth.

The mythical B-13488.
Early production games (like mine) had a drive link connected to the coil plunger by the aforementioned gate mechanism spring. This arrangement proved to be undesirable and Williams revised the mechanism. The revision enlarged the drive link and eliminated the gate mechanism spring. The plunger spring was also eliminated. The related service bulletin may be found on IPDB. In 1990 one could have obtained a kit to implement the revision. No such luck in 2019. Supply Update: as of 2024, some of the revised diverter parts had become available at Marco.

Original diviter mechanism (top) compared to the revision.
Around 2014 the revised drive link was reproduced by a company called Fabrication Unlimited (Pinsider jasonpaulbauer). As of 2019 they were still available. But that was only half of the equation. The original revision came as an assembly which also included a revised plunger and connecting roll pin. So I didn't know anything about specs for the revised plunger. I didn't use a flipper mech plunger because the roll pin would have been too fat for the slot in the drive link.

Reproduction drive link from Fabrication Unlimited.
After looking around at some pictures, I bought Williams part number A-13278. This was a diverter plunger assembly used in some other Williams games. The plunger slot wasn't deep enough to accommodate the drive link. I screwed together a pair of hacksaw blades and that gave me the right width to deepen the slot. The plunger was a tad too long to properly extend the gate diverter arms. So I set about grinding down the length of the plunger (I wasn't about to screw with my unobtainium German coil stop). It didn't take much. I only ground off about 0.030". A small movement of the plunger and link made for a large movement of the gate diverter arms. I could have gone further, but decided to get in some play time first. I can always take it apart again later and grind off more.
The original revision appears to have included a new slightly shorter coil stop B-13488-A. But I had found no other reference to that part's existence. I was lucky to find the B-13488. It was better to modify the plunger than mess around with what appeared to be an irreplaceable coil stop.

Old drive link assembly (top) compared to the new drive link assembly.
Below is a test fitting with the modified plunger set against the coil stop. The position of the gate diverter arms looked about right. Plunger length was about 1.9" from coil stop to roll pin center.

Test fitting the drive link assembly.
The service bulletin also specified that the stock AE-23-800 coil should be replaced with a less powerful AE-26-1200. Preliminary test games indicated that my rebuilt diverter assembly worked just fine.

Diverter reassembled with an AE-26-1200 coil.
09/19: The original plastics on this game weren't terrible. But after getting the ramp out, the playfield was so far disassembled I decided to buy a new set of CPR plastics. Why not? I wanted to take the playfield apart anyway to restore the GI back to incandescent bulbs. I also cleaned some rings, wiped down the playfield and added a few more coats of wax.
Shown below is the new playfield plastic that fit below the lock mechanism. I moved my wire notch (see above) into the yellow area. The new notch location provided more wire slack, better wire concealment and kept the wires away from the underling GI bulbs.

Modified lock plastics.
Here's the CPR plastic that didn't go into the game. The old plastic was mostly hidden between a pair of habitrails and its condition didn't justify de-riveting from the ball guide. However, the big shield plastic in front of the ramp diverter did require some bracket riveting.

I'll keep the old one.
09/04/19: After a month and a half of tinkering I finally got in some test games. Kick-Butt!
This game had a crazy stiff plunger spring which was probably to compensate for the busted ramp. I went back to a red spring which was plenty stiff for the game. I added a new tip and sleeve while I was at it. Plunged balls would make the ramp most of the time, but were still aimed on the low side. The end of the plunger lane ball guide moved in an arc, but the adjustment slot was straight. The adjustment screw was jamming in the slot before the guide could reach its full range of travel. This game was the jigsaw puzzle from hell. I couldn't really get at the ball guide without (again) removing the ramp and most of the habitrails. Luckily I was able to sneak in a mini drill and made a more favorable hole for the adjustment screw.

New playfield hole places the adjustment screw more along the center line of the adjustment slot.
This game had a lot of flash lamps. The manual and diagnostics didn't describe the physical locations of the lamps. So I made my own flasher maps. Numbers indicate each lamp's position in the solenoid table and each lamp's stripe color.

Insert panel flasher map.

Playfield flasher map.
09/07/19: Restored playfield inserts to incandescent lamps. I thought I might be able live with the LEDs under the inserts. But there were too many clear inserts on this game and it was all too blinding. I could not even see the under playfield flashers through the LED glare. Of course it wasn't all plug and play. Some sockets needed tweaking or replacing. This LED fad is a real pain in the ass. I can only hope that it peters out someday. In the meantime, here's a tip for the LED fanboys... Clean the inserts! If you shine incandescent light through a layer of crud, yeah, it's going to look dull. The original warm incandescent glow (through clean inserts) looked great. You pro-LED people can fuck off.

Done! ...for now.
09/22/19: New drop target decals. The game came with a new set of drop target decals. I didn't know from where the decals were sourced. The new decals were not exactly like the originals, but they didn't have that overly glossy look that I see with most repro decals. While I was at it, I cleaned the mechanism and replaced the coil sleeve.

Old versus new decal.

New drop target decals.
09/28/19: New playfield glass.
Replaced the battered old cabinet flipper switches and added new proper size red flipper buttons. The right stack was adjusted such that the lower right flipper could be held while flipping the upper right flipper.

New flipper switches and buttons.
10/14/19: Cleaned and adjusted stationary target switches. None of the targets on this game had worked without a full-on direct hit.
11/13/19: Flash 7 repair. All the "Flash 7" flashers went out on both the playfield and the insert panel. This traced to a bad resistor R7 on the interconnect board. The resistor looked okay, but was open internally. The problem was easier to diagnose than fix. For all my years of owning system 11 games, I believe this was the first time I had to pull an interconnect board. What a rat's nest of wiring and connectors!

Interconnect board removed.

New R7.
11/17/19: Flipper rebuilds. This was the final item on my original checklist from back when I bought the game. The lower left and upper right flippers seemed weak, the travel of the lower flippers wasn't symmetrical, and all the bushings felt worn. Aside from replacing all the mechanical parts, bushings, bats and rubber, I replaced the lower right and upper right coils because of stuck sleeves. I drilled each EOS switch bracket to accept an extension spring. I've had bad luck with the newer self-locking pawl bolts pulling apart. So I reused the old cap head bolts.

Cap head bolt versus self-locking bolt.

Rebuilt lower right flipper mech.
I was apprehensive about the upper right flipper. It was weak, but aimed well. I hate adjusting flipper bats. I carefully measured the position of the old bat to make sure I got the new bat in just the right place. The upper right flipper used a special longer plunger to limit flipper travel. As far as I can tell, these long plungers are unavailable and everyone uses standard plungers with no ill effect. Two under-playfield decals advise use of the longer "black" plunger. In fact, my game may have had an original "black" plunger. But the old plunger and stop were so beat, they were about the same length as a new "standard" plunger and stop.

Measuring the old bat position for reference.

Under-playfield decals.

New "standard" plunger and stop compared to the old "black" plunger and stop.
11/28/19: Sagging cabinet floor fix. It would appear that something had been spilled into the cabinet at some point. The floor had become wet and sagged under the weight of the transformer. In looking at my other system 11 games, the transformer support board was deleted somewhere between Taxi and Bad Cats. RollerGames had the transformer mounted directly to the floor which appeared to be made from some sort of Masonite-like material. This wasn't that big of a deal. The sag didn't seem to be hurting anything and the rest of the cabinet was reasonably sound. I had the sag sitting on a jack for a few weeks without much effect. Then I got the idea that I could flatten the sag by reintroducing a bit of moisture.
I removed the transformer and speaker. Then I covered the floor with a plastic trash bag. I found a piece of ¾" plywood with about the same surface area as the sag. I put the plywood on my jack followed by another trash bag followed by a wet bath towel. The towel was "wrung out wet". It was wetter than damp, but no where near dripping. Then I jacked up the sag on the towel. By "jacked up" I mean the front legs of the game were a bit off the floor with the rear legs on the floor. I balanced the heavy transformer on the cabinet cross-member to provide a little more weight against the jack.
I let the game sit on the towel for a bit less than 24 hours. By then the floor had flattened out. I removed the towel and bags and then let the game sit on the plywood and jack for a week. At that point the floor appeared to be dry, flat and stable.

Trash bag on the cabinet floor.

Game sitting on a wet bath towel.
Next I glued and screwed the floor to the cross-member behind the cashbox. Then I made my own transformer support board from a piece of ¾" plywood. The plywood had a slight warp to it. So I cut my board such that the warp would oppose the old floor sag. I glued and screwed the board to the floor and added longer transformer mounting bolts to reach the original T-nuts.

Done!
April 2023: Retrofitting a prototype drop target assembly. I'm not a fan of modifying games. That said, I'm always intrigued to discover some residual bit of hardware or software that's left over from a feature that was deleted from the production game. In the case of RollerGames that residual bit was a playfield wire harness designed to accommodate a 5-bank drop target assembly for the left-side SKATE targets.

Production game stationary SKATE targets.
Shown below is an actual RollerGames 5-bank drop target assembly that would have been used in a prototype (or maybe a sample) game. Note that the bracket & stud assembly has been punched for the SKATE insert lamps. I believe this picture is from John Wart Jr. and is one of the few images I was able to salvage from the Wayback Machine.

RollerGames prototype 5-bank drop target assembly.
As far as I know, Bad Cats is the only other contemporary Williams game to have employed a similar 5-bank drop target assembly. Sourcing a surplus drop target assembly was the most challenging aspect of this project. I had an eye out for years. I finally succeeded in 2023 with a Pinside want ad. The seller had the same idea, but never got around to it and no longer had a RollerGames.

Surplus Bad Cats 5-bank drop target assembly.
DISCLAIMER: Bad Cats is absolutely the better game. It's more fun to play, more attractive to look at, more rare, more valuable and has good restoration support. I sincerely hope that this page does not inspire anyone to part out an otherwise salvageable Bad Cats for the sake of modifying a RollerGames. That would be pretty fucking deplorable. As the lawyers like to say, this information is for entertainment purposes only.
I had two important assets for tackling this project. 1) I already owned a Bad Cats which was parked right next to my RollerGames. This was an important resource for taking reference measurements and making sanity checks. 2) As noted above, my RollerGames had all the wiring in place such that all hardware modifications were local to the drop target assembly. My RollerGames is an early production model. I don't know if later models include the extra wiring.

RollerGames next to my Bad Cats for reference.

Playfield wire harness with cut wires.
The picture above shows my playfield wire harness with cut wires for the missing prototype components.
Red circle - Drop target solenoid control wire; VIO-ORN (Sol 3A).
Orange circle - Drop target solenoid power wire; YEL-VIO.
Green circle - Drop target opto board +12 volt wire; GRY-YEL.
Green circle - Drop target opto board ground wire; BLK-YEL.
Yellow circle - Switch 15 wires.
I did not expect that my existing REV 2 production ROMs would support the drop target assembly. Nevertheless, I built a quick test stand and jumped the solenoid to driver 3A. Note that this is a system 11c. Diodes are on the aux driver board so there's no polarity at the solenoid itself. The REV 2 ROMs pulsed the solenoid at three places. 1) When the game was powered ON. I believe this is just a general housekeeping routine to clear the playfield. 2) During solenoid test at step 3A. 3) At the beginning of Sudden Death as it should. Unfortunately, the solenoid was not pulsed at the beginning of each ball or after completion of the SKATE targets. So as expected, the drop target assembly was unusable with the REV 2 production ROMs.

Drop target assembly test stand.

Existing (but obviously not original) REV 2 ROMs.
I knew nothing about burning ROMs. Fortunately I had a friend who did. Apparently you can't buy new EPROMs anymore. Nevertheless, I bought a set of 27C256 chips from Amazon that were probably pulls. I don't know what they were or where they came from, but they worked! My friend used the "AD2" ROM images from IPDB.

AD2 ROMs installed.

AD2 or "AMERICAN DROPS 2".
Preliminary indications were that the AD2 ROMs functioned as expected. The solenoid was being pulsed at the beginning of each ball, after completion of the SKATE targets and at the beginning and end of Sudden Death. Next I printed off a copy of my Rules page and carefully stepped my way though the game. Nothing appeared to be missing. The only difference appeared to be that the SKATE insert lamps no longer remain lit from ball to ball. This makes sense because the drop targets are always reset at the beginning of each ball. Or in other words, the existing REV 2 ROMs had only a slightly more liberal take on the SKATE rules. This hardly seems worth a software revision.
I suspect that the software revision had more to do with fixing the infamous switch 15 error. Nevertheless, I have yet to receive the switch 15 error with these AD2 ROMs. I'm unclear as to the source of these AD2 ROMs. Are they the prototype ROMs? Does the "2" indicate that the error has been fixed? Or are they something else that some other person reverse-engineered to make the drop targets functional? In any event, they work! And it looks like I need not implement a switch 15 solution.
Note that when using the AD2 ROMs, the stationary SKATE targets still function as stationary targets. Each target hit still endlessly scores 5k points lit or unlit. The game does not rely on all five switches being simultaneously closed before pulsing solenoid 3A. Rather, the solenoid is pulsed after all five targets have been hit at least once. Or in other words, after all five SKATE insert lamps have been lit.
To continue testing I made up some connector pigtails for the opto board. I had some scrap wire harnesses and was able to mimic the existing color codes.

Opto board connector pigtails.
Coincidentally, Bad Cats and RollerGames use the same switch matrix positions for their respective 5-bank drop target assemblies. However, Bad Cats designates the drops from bottom to top whereas RollerGames goes from top to bottom. Or in other words, the row wiring for the opto board connector is opposite to Bad Cats. Also note that the SKATE targets are incorrectly identified on the switch matrix table. Switches 25-29 actually correspond to targets S-E, respectively. Dyslexic me really struggled to sort this all out. The chart below shows how I wired the opto board connector.

The S target is switch 25, not 29 as indicated on the switch matrix table.

Opto board connector wire chart.
The opto board's 12 volt power wires are daisy-chained from the WAR 3-bank drop target assembly which has an identical power connector. So the purpose, position and color of those wires are obvious.
I used my pigtails and lots of alligator jumpers to fully integrate the drop target assembly into the game. I simply jumped the opto board connections across the corresponding stationary target switches. Everything worked! And with that it was time to physically install the drop target assembly.

Holy shit! It all worked!
From the playfield, I removed the stationary targets and the insert lamp circuit board. From the drop target assembly, I removed the solenoid and opto board to lighten the assembly and make it easier to maneuver. I made a clamp from a scrap of aluminum angle. The clamp was secured by the insert lamp circuit board's playfield mounting holes. The clamp held the drop target assembly while still allowing adjustments as I tapped the assembly into its final position. Again, I used Bad Cats as my reference.

Aluminum clamp substituting the insert lamp circuit board.
After carefully positioning the drop target assembly I used a nut driver and a self-centering drill to dimple the playfield at the drop target assembly mounting holes. As with Bad Cats, only six of the eight mounting holes are used. The two mounting holes under the solenoid stop bracket assembly are inaccessible.

Dimpling the playfield.
I removed the drop target assembly to drill the mounting holes. I made a drill guide block on my drill press. This ensured perfectly perpendicular holes. And I marked the drill bit to make sure I didn't go too deep.

Drill guide block.
Next I reinstalled the reassembled drop target assembly and completed the wiring. The row and column wires were long enough to add a connector without extension. The opto board power wires required extension. As per my usual practice, I added a connector to the solenoid. I used the same connector standard as is found on the knocker solenoid.

Wiring complete.
At this point the drop target assembly was fully functional. So I powered ON the game and thoroughly retested everything.
My production game included a post (green arrow) that could not have been present on the prototype. I believe the purpose of this post was to prevent a ball from sneaking behind the stationary targets by way of the Atomic Whip passage. But the post was going to be in the way of my backstop so I removed it.

Post removed.
To make the backstop I used five posts secured with T-nuts as per what I found on Bad Cats. I used a long-reach C-clamp to seat the T-nuts. Nevertheless, it took some time for the T-nuts to settle in. I periodically retightened the post screws after playing some games.

Backstop T-nuts.
I used a 3" ring for the backstop. Note that a ball can't get behind the backstop. So the post I removed is no longer necessary. Looking at all those new screw heads I decided to add a protective layer of mylar to the underside of the SPOTS WILLIAMS LETTER plastic. With the backstop installed, the game was playable. So I played it!

Finished backstop.

Time for a few games!
Four out of the five Bad Cats bird decals were in good condition so I didn't want to mess with them. Instead, I bought a fresh new set of drop targets and springs for this project. I was expecting to have to make my own SKATE decals. But then I found a usable substitute at the Ministry of Pinball over in the Netherlands. Note that the decals are sold in sets of three, not five. I suspect that their actual intended purpose is to add a semi-custom touch to the WAR targets. I'll pass on that idea. I don't believe there was any red in the original prototype decals. But the red in these reproductions is slight and I should be able to live with it.

The semi-protype SKATE decals.

New drop targets + spare.
I used my new playfield mounting holes as a reference to locate the insert lamp holes. After completely disassembling the drop target assembly, I mounted the bracket & stud assembly to a block of wood for support. Then I marked out the insert hole locations. To cut the holes as cleanly and concentrically as I could, I used a drill press starting with a center drill and ending with a step drill.

Marking out the bracket & stud assembly.

Insert lamp holes cut.

No more birds.
Fitting the insert lamp circuit board was tedious. There's little clearance between the lamp sockets and the bottom of the solenoid stop bracket assembly. And there's little clearance between the connector and the edge of the stop bracket assembly. The only other contemporary Williams game I found that used this style of circuit board in combination with drop targets was Riverboat Gambler and its pair of 4-bank drop target assemblies. At least the Riverboat Gambler designers were smart enough to offset the board connector from the stop bracket assembly. No such luck with RollerGames.
My solution was to cut the ears off the circuit board's snap-in standoffs. Without the standoffs I was able to sneak the circuit board into position. But then I was left to fiddle with the standoffs as separate parts. It worked. But replacing the center A lamp will forever suck.

Snap-in standoffs.

Insert lamp circuit board installed.
Part of my plan was to have this project be reversible. I mounted the old stationary targets to a board to keep them organized. Then I recreated the wiring using my test pigtail. I added a Z-connector which can plug into the new connector under the playfield. Then I put the targets and old ROMs in a box for safekeeping. Swapping the drop target assembly for the stationary targets should take only a few minutes.

Stationary target assembly.

Before.

During.

After.
Click image to view a brief YouTube video of the drop targets in action.
Conclusion: Of all my system 11 games, RollerGames is probably my least favorite. I'm not that good of a player and the game ends up being faster and more difficult than I'd like. On the other hand, drop targets are my all-time favorite playfield feature (aside from the flippers, of course). So for me the SKATE drop targets add a new dimension of interest and fun. Sometimes I ignore the other game strategies and just plink away at drop targets as I work my way toward the WILLIAMS Bonus. It's actually kind of annoying when I'm down to one target to go and Sudden Death suddenly resets everything - haha.
On one hand, the game is slightly more difficult because the lit SKATE letters are no longer carried from ball to ball. And, of course, you can't endlessly score 5k points on a target that is already down. On the other hand, the game is slightly easier because the drop targets are more sensitive and I'm more likely to get two or more targets from glancing shots or sweeps. Also, the drop targets are more eye-catching so I'm more likely to notice my progress toward completing the bank. I'm not sure how that all comes out in the wash. In any event, SKATE target scoring is relatively insignificant unless on the brink of a WILLIAMS Bonus. I wouldn't recommend the expense and complexity of this modification unless you have a specific drop target fetish.

At least the instruction card now makes sense.
XX/XX/26: Illuminated Wall hanging. Under Construction.
I made one of my illuminated wall hangings for RollerGames using various promotional plastics. Similar to my Jokerz! topper project, I wanted to incorporate a chase lighting effect.
This time I decided to build my own chase control module. It ended up being a rabbit hole with lots of research and tinkering. But, it was interesting and it turned out okay. My module was based on a 555 timer and 4017 decade counter. Numerous hobby project kits incorporated this pair of chips. In fact, I went to Amazon and purchased such a kit as an inexpensive source of components. My kit was actually a three-pack, so I built one just for fun. It simulated a police car strobe effect.

Amazon project hobby kit.

I built one just for fun.
The kit included everything I needed to configure the 555 as an adjustable, low-frequency clock. I implemented that portion of the kit schematic as is.

555 clock schematic.
From there I was on my own. The 4017 was configured to produce a three-channel chase effect by connecting the fourth output to the reset input. The first three outputs 0-2 generated the chase effect. The last six outputs 4-9 were left unconnected.
I used TIP122 transistors for my lamp drivers. I anticipated four #44 lamps for each channel, which I arranged in two series pairs. At 12 volts, that was about a 500 mA collector current. I picked 4.7k ohm base resistors according to some online formulas and TIP122 specs.
The kit included small S8050 transistors with 10k ohm base resistors. I used those components to invert the 4017 outputs, thereby creating an inverted chase effect. That is, illuminated lamps would represent the two inactive channels. Or, in other words, two-thirds of the lamps would always be lit. I thought that would make for a brighter display, as opposed to having a non-inverted chase effect where only one-third of the lamps would be lit.

Inverting lamp driver.
With four lamps the TIP122s became slightly warm to the touch. I wouldn't claim this to be an optimal design, but it worked.

Finished chase control module.
I temporarily connected a bunch of lamps for a burn-in test. And I immediately disliked my inverted chase idea. Damn it! So I chopped out the S8050 transistors and 4.7k ohm resistors. Then I connected the 10k ohm resistors directly to the TIP122 transistors. I stuck with the 10k ohm base resistors (as opposed to the 4.7k ohm resistors) thinking they would put less stress on the 4017 chip.

Simplified non-inverting lamp driver.

With some cutting and jumpering, I salvaged my previous effort.
Years ago I made a topper using a small spotlight to backlight the CPR "desktop display". I never liked how it lit up because the background plastic cast a sharp shadow on the foreground plastic. So I scrapped the topper in favor of the wall hanging.

Sacrificial topper.
In addition to the topper pieces, I added the six teams promo plastics. I assume these were intended to be key fobs. I drew radiating reference lines at 60 degree intervals on ½" plywood. But the mounting and lamp socket holes were not exactly symmetrical. Instead, I marked what "looked right" based on the oddball shape and design of each fob.

Promo plastics layout.
After marking mounting holes, I switched to copy paper templates because I could stab right though the paper to mark some of the desired lamp locations. I also included a blank circuit board for perspective to ensure I was leaving sufficient back-side clearance between lamp sockets.

Copy paper templates.
After drilling mounting and socket holes, I used a router and circle jig to turn the square into a 14" diameter disk.

Disk cut and drilled.
My chase control module was about an inch tall. For an added bit of clearance, I routed a shallow pocket in the back-side of the disk.

Chase control module pocket.
I typically add a back perimeter layer of ½" plywood to create a pocket for the lamp sockets and wiring. In this case I added two layers since my chase control module was about an inch tall. I rough-cut the perimeter layers on a bandsaw. After glueing up each layer, I went over the outside edge with a flush-cut trim bit in a router to ensure the back layers matched the concentricity of the front disk. The rear-most layer included a top inside horizontal straight cut with a slight undercut to grab a screw in the wall.

Back perimeter layers.
The idea was to build up the promo plastics in layers similar to a playfield. After some priming and sanding, I sprayed the disk an off-white color because playfields tend to age to off-white. Then I used frisket and my copy paper templates to cut around the intended white areas. I cut slightly inside the templates such that the white areas were a bit smaller than the plastics. Thus, the white areas were less obvious when viewing the wall hanging straight-on. After weeding the frisket, I sprayed a light coat of the same off-white to seal the remaining mask. Then I sprayed the whole thing semi-gloss black. I didn't bother with white areas behind the teams plastics because they were oddly shaped and mostly transparent.

Rust-Oleum Heirloom White and Semi-Gloss Black.
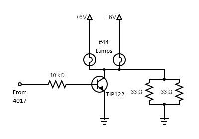
I was developing my chase control module as I was designing the wall hanging and making it up as I went. In the end I settled on two lamps per chase channel. That is, one lamp for each of the six perimeter teams plastics. I reduced the supply voltage to 6 volts and connected the lamps in parallel pairs. I also added resistance across the TIP122 transistors. I used pairs of 33 ohm, 2 watt resistors because I had them on hand. The resistors maintained the lamps at a partial, warm glow when their respective channel was inactive. To my eye, it made for a smoother, more pleasing chase effect.

The final, final lamp driver arrangement.

Screw-mount terminals support the 33 ohm resistors.

Final wiring.
